网站首页
公司介绍
企业介绍
组织架构
企业荣誉
领导关怀
新闻动态
公司新闻
政策要闻
党建工作
组织架构
党建阵地
党群活动
工青妇
荣誉鼓励
信息公开
水质检测报告
环境信息公开
职位招聘
通知公告
乐竞(中国)一站式体育服务
电话地址
意见箱
总经理信箱
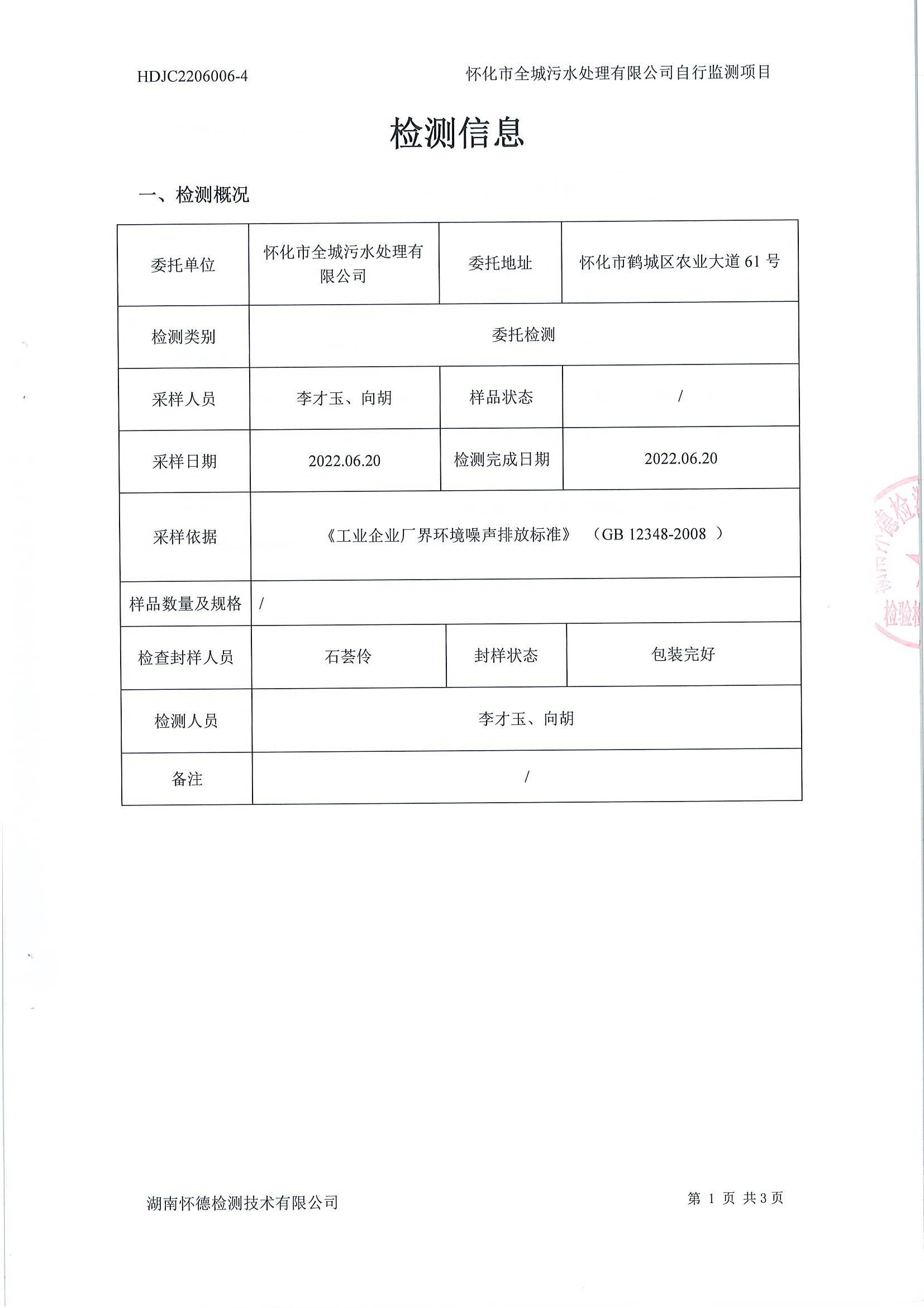
怀德检测 2022年6月 噪声检测报告
2022-07-04 11:42:11
上一篇:
湖南怀德检测技术有限公司 2024年12月 污水出水检测报告
下一篇:
怀德检测 2022年6月 污水检测报告
乐动在线
|
在线押球(中国)唯一官方网站
|
星空网页版
|
乐竞体育·(LEJING)官方网站
|
九游官方网站
|
华体会体育
|
星空官方版网站登录入口
|
乐竞
|
欧宝ob官网登录入口(中国)有限公司
|